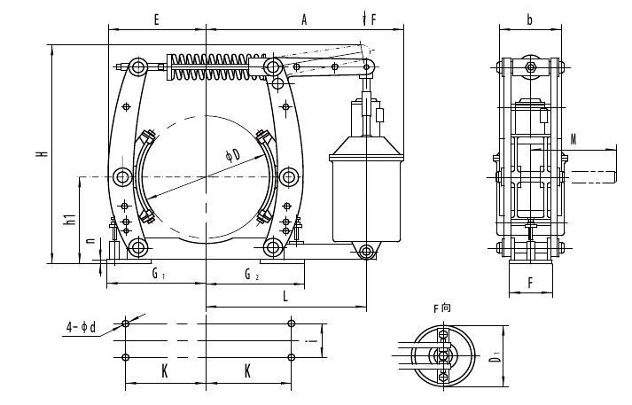
YWZ3B系列電力液壓鼓式制動器,廣泛應用于有防爆要求的各種起重運輸、皮帶運輸、港口裝卸、冶金及建筑機械中各種機構的減速和停車(維持)制動。
YWZ3B系列電力液壓鼓式制動器的連接尺寸和制動力矩參數符合GB6333-86標準,技術要求符合JB / T6406-2006標準, 本系列取代原YWZ3系列制動器。
▲ 出產配備卡式制動瓦,更換十分方便、快捷;
▲ 主要擺動鉸點均設有自潤滑軸承,傳動效率高,壽命長,使用中無需潤滑;
▲ 采用YT1系列電力液壓推動器推動器;
▲ 常閉式設計,(斷電)彈簧制動,(通電)推動器釋放。
◆ 海拔高度:<2000m;
◆ 環境溫度:-20°C?+ 40°C;
◆ 相對濕度:≤90%;
◆ 工作制:間歇性(S3-60%)和連續(S1);
◆ 電源電壓:三相交流,AC380 50Hz (其他電源等級可按需要定制);
◆ 有特殊要求時在訂貨時協商確定。
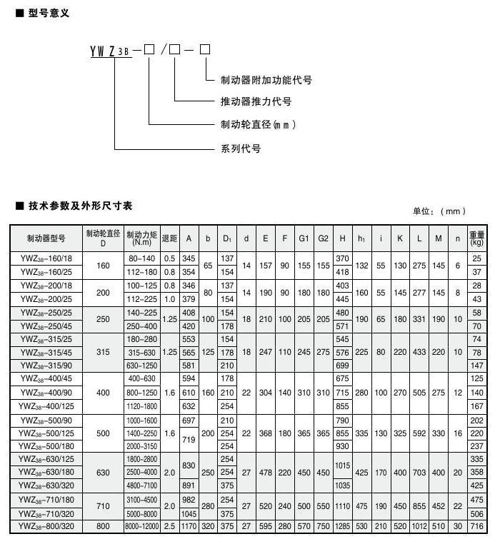
● 產品型號:YWZ3B-160、YWZ3B-200、YWZ3B-250、YWZ3B-315、YWZ3B-400、YWZ3B-500、YWZ3B-630、YWZ3B-710、YWZ3B-800
● 適用輪徑:160~800mm
● 制動力矩:80~12000Nm







